二、乳腺癌《病理学》

二、乳腺癌

乳腺很常见,我国乳腺的发病率仅次于子宫颈而居女性的第二位,近年来有不断增加的趋势。常发生于50岁左右的妇女,20岁以前很少见。患者女性亲属中乳腺的发病率高于常人2~3倍。其发生原因尚未完全阐明,一般认为可能与雌激素长期作用有关。本半数以上发生于乳腺外上象限,其次为乳腺中央区和区上象限。

【类型】

乳腺形态结构十分复杂,类型很多。一般根据组织发生和形态结构而将其分为导管、小叶和特异性三大类型:①导管,较多见,来源于乳腺导管系统,特别是末梢导管,包括非浸润性导管内及浸润性导管;②小叶,较少见,又称腺泡内,来源尚未完全确定,有人认为系起源于肌上皮细胞,也有人认为发生于小叶内导管,包括非浸润性的小叶原位及浸润性小叶;③特殊型,少见,为具有特殊形态结构的一类乳腺,如粘液、大汗腺样、腺样囊性、鳞状细胞及炎性等。

(一)导管内

多发生于乳头下乳晕周围,近半数病人在局部可扪及大小不等的肿块或境界不清的肥厚组织。肿块与皮肤无粘连。部分病人表现乳头溢液。由于在导管内生长并充满导管腔,致使导管扩张,因而在切面上可见导管为条索状(纵切)或小结节状(横切),灰白色或黄灰色,挤压之可从导管中挤出蠕虫样的半固体性物质。镜检,细胞位于扩张的导管内,基底膜完好。细胞大小形状不一,细胞分化程度各例不等,分化较高者,核分裂像少见;分化较低的病例,细胞异型性明显,核分裂像多见。其组织结构多样,细胞可在扩张的导管内排列成实心团块、乳头状、筛状、小管状,部分病例在管内实体细胞团中央可发生大片坏死,称粉刺性管内

(二)浸润性导管

由导管内发展而来,为乳腺中最常见的类型,约占乳腺的50%~80%,以40~60岁妇女为最多见。

【病变】

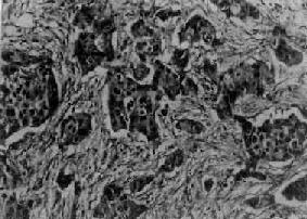
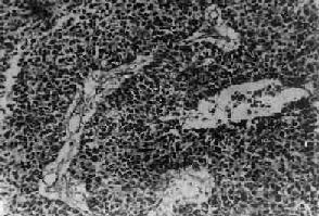
肉眼观,肿块一般较小,直径多为2~3cm,质硬,边缘不整,常可见到灰白色组织呈放射状侵入邻接纤维脂肪组织内。如果位置浅,则可侵犯皮肤,与皮肤粘连并导致皮肤出现不规则浅表微小凹陷,呈橘皮样外观;如累及乳头,可出现乳头回缩、下陷现象(图13-25)。镜检,组织形态多样,细胞组成实体团块或腺样结构,两者常混合存在。其中多数病例主要由实体细胞团组成,称为实体。一般根据实体实质与纤维组织间质比例的不同,又将其分为单纯(simple carcinoma),实质与间质量大致相等(图13-26);硬(scirrhous carcinoma),实质少而间质多;和不典型髓样(atypical medullary carcinoma),实质多而间质少,间质内常无淋巴细胞浸润(图13-27),细胞常呈多形性,核异型性明显,核分裂像易见。

乳腺<a href=癌"/>

图13-25 乳腺

切面组织灰白色,较大的肿块左侧形成卫星结节;乳头略下陷

浸润性导管<a href=癌(单纯)"/>

图13-26 浸润性导管(单纯

细胞和间质量大致相等

乳腺髓样<a href=癌"/>

图13-27 乳腺髓样

细胞排列成片团状,间质少

(三)小叶原位

一般发生于绝经前妇女。临床上一般摸不到肿块,也无症状。标本肉眼观与一般小叶增生不易区别。镜检,变小叶体积增大,但小叶轮廓尚保存,小管高度扩张,其中充满单一松散排列的细胞。细胞呈圆形,大小形状较为一致,核圆形及卵圆形,核分裂像很少。基底膜完整。小叶原位经过一定时间可发展为浸润性小叶

(四)浸润性小叶

由小叶原位突破小管或末梢导管基底膜向间质浸润所致。在大体上很像硬,肿块不规则盘状,与周围乳腺组织的边界不清。镜检的特征是细胞排列松散,呈条索状;有时为分散的单个细胞浸润于成束的纤维组织之间,这些细胞并无组成小叶的痕迹。细胞小或中等大小,多呈圆形、椭圆形或梭形,细胞的大小及染色较一致。有时可见从小叶原位向浸润性小叶过渡的形态。

(五)典型髓样

较少见。肿块体积常较大,直径4~6cm或更大,边界较清楚,质松软,灰白色,常杂以灰黄色或暗红色坏死出血区。镜下,实质多,间质少。细胞较大,圆形、卵圆形,胞浆嗜碱性,核大,染色质丰富,核仁不明显,分裂像较多。间质纤维组织稀少,其中常有淋巴细胞浸润。

一般生长较慢,腋窝淋巴结的转移较少也较晚。预后比浸润性乳腺为佳,根治术后5年存活率近70%。

上一页:一、乳腺结构不良
当前页:二、乳腺癌
下一页:一、肉芽肿性睾丸炎

返回目录